This paper introduces the composition and principle of the modularly designed intelligent three-phase meter, analyzes the characteristics of its control chip, and explains the implementation scheme of the modularly designed intelligent three-phase meter.
Keywords: modularization; intelligent three-phase meter
Content:
2. Modular design of electric meter hardware
2.1 Metering and sampling module
2.3 Pulse output management module
1.Introduction
The existing design scheme of smart meters is generally a functional integration design, one scheme for each meter, including hardware and software, which can only be used on specific smart meters and cannot be used on meters of different specifications. For example, for meters with the same current and voltage specifications: the meter has one software and hardware, and the LCD meter has another software and hardware. After adopting a modular design method, only one hardware and one software version can be used to realize the functions of two different meters through simple configuration and combination.
2. Modular design of electric meter hardware
The seven modules of the electric meter hardware are physically independent, interchangeable and plug-and-play on the hardware interface. The power module, human-machine module, metering and sampling module, storage module, and pulse output module all need to be non-hot-swappable. Only when all the above modules are plugged in and powered on can they be used normally. The specific working principle and design of each module are described in the order of the modules.
2.1 Metering and sampling module
The metering sampling module can realize two sampling methods: one is to provide the original metering data to the MCU by CT sampling; the other is to provide the original metering data to the MCU by manganese copper sampling. That is, using the same PCB, corresponding to different sampling resistance values and sampling capacitance values, different resistance and capacitance values are pasted during processing, and this difference is reflected in the device BOM to realize modular design.

2.2 Storage Module
When designing the storage module PCB, the requirements of different meter data capacities are considered and the chip select signal of the storage chip is reserved to achieve modular design.

The address lines refer to A0, A1, and A2. When the storage capacity requirement is relatively small, A0, A1, and A2 are directly grounded; when the storage capacity requirement is relatively large, A0 is connected to the power supply, and A1 and A2 are directly grounded.
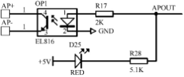
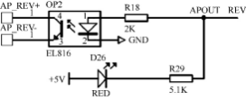
2.3 Pulse output management module
When designing the pulse output management module, four situations are considered: forward active pulse, reverse active pulse, forward reactive pulse, and reverse reactive pulse, that is, four pulse output circuits are considered uniformly. For different needs, 1 to 4 circuits are placed.




2.4 Communication module
The communication module refers to RF, PLC, and GPRS modules. The communication interface exchanges data with the meter CPU through the serial port. When designing, the communication interface and the corresponding GPIO port lines that need to be controlled are considered uniformly. In this solution, UART serial port communication is used uniformly. The communication data line has 1 TXD and 1 RXD for sending and receiving. One control data line RESET outputs the corresponding low level when the communication is abnormal, and resets the communication module so that the module can resume normal communication.
3. Conclusion
By adopting modular design of software and hardware, the hardware and software of smart meters can adopt a modular basic design platform. The different needs of customers can be met through corresponding software configuration and plug-in of corresponding hardware modules.





